▌Características del inversor fotovoltaico para bombas de agua:
Variador de frecuencia (VFD) para proporcionar el máximo par con la mínima luz solar.
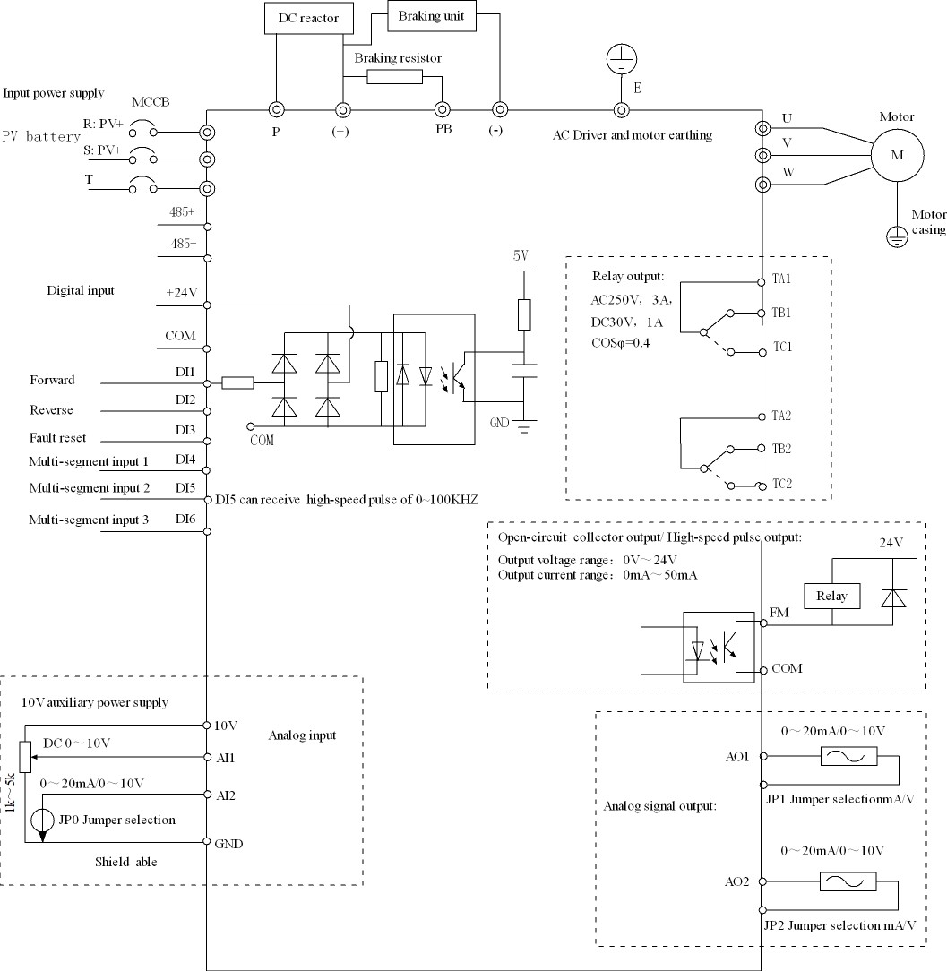
Adecuado para motores asíncronos trifásicos, módulos fotovoltaicos de corriente principal.
El sistema adopta eficientes bombas sumergibles/superficiales de CA para satisfacer diferentes requisitos.
La bomba se puede conectar directamente al sistema de riego por goteo, sistema de fuente.
La eficiencia de conversión es superior a 98% , junto con una alta fiabilidad;
Control digital con funcionamiento totalmente automático, almacenamiento de datos y función de protección completa;
Módulo de alimentación inteligente (IPM) para el circuito principal de alta fiabilidad;
Monitorización remota,Aplicación flexible,Inteligente y fiable,Puede conmutar a red de trabajo.
Módulo IGBT inteligente incorporado, protección contra sobretensión, sobrecarga, sobrecalentamiento y funcionamiento en seco.
Diseño sin batería, completamente alimentado por energía solar, adecuado para diversas aplicaciones, logrando rentabilidad, fácil de mantener.
Se han tomado medidas de protección para el bloqueo de la bomba, el equilibrio trifásico, etc., que han prolongado la vida útil de la bomba y el controlador.
Función de protección de la bomba de agua incorporada, como pozo seco, sobreflujo, sobrecarga de salida, baja tensión de entrada, sobretensión de entrada, sobretemperatura, rayos.
Adopta control automático, como arranque y cierre automáticos según horario, cierre automático cuando el depósito está lleno y cierre automático cuando hay escasez de agua.

Amplia gama de niveles de tensión y potencia
Soporta trifásica 220V, y trifásica 380V bomba de agua solar VFDpotencia de 0,75 kW a 75 KW
Fácil de usar
Basta con conectar el panel fotovoltaico al variador de frecuencia, sin necesidad de configurar ningún parámetro, y la bomba fotovoltaica puede ponerse en marcha automáticamente tras el encendido.
Múltiples medidas de protección
Dispone de funciones de protección, como la protección contra sobretensión fotovoltaica, la alarma de conexión inversa de la polaridad fotovoltaica, la reducción automática de la potencia por sobretemperatura, etc., que pueden prolongar eficazmente la vida útil del producto.
Algoritmo MPPT avanzado
método de control, el funcionamiento de la bomba se ajusta automáticamente para lograr la máxima generación de energía del sistema. Garantizar la eficiencia de seguimiento de la energía solar puede alcanzar 99%.



| Modelo de inversor | Capacidad de potencia | Corriente de entrada | Corriente de salida | Motor adaptativo | Dimensión periférica | Abertura de instalación | Fachada | ||||
| KVA | A | A | KW | H | W | D | A | B | Φ | # | |
| Industria 1Ph 220V±10%;Solar DC 180V~450V; | |||||||||||
| PQ580-R40G1B | 1 | 5.4 | 2.5 | 0.4 | 162 | 105 | 150 | 95 | 150 | Φ5.0 | FIG.1 |
| PQ580-R75G1B | 1.5 | 8.2 | 3.8 | 0.75 | |||||||
| PQ580-1R5G1B | 3 | 14 | 7 | 1.5 | |||||||
| PQ580-2R2G1B | 4 | 23 | 9 | 2.2 | |||||||
| Industrial 3Ph 340-460V; Solar DC 350V~750V; | |||||||||||
| PQ580PV-R75G4 | 1.5 | 3.4/5.0 | 2.1/3.8 | 0.75/1.5 | 162 | 105 | 150 | 95 | 150 | 5Φ | FIG.1 |
| PQ580PV-1R5G4 | 3 | 5.0/5.8 | 3.8/5.1 | 1.5/2.2 | |||||||
| PQ580PV-2R2G4 | 4 | 5.8/9 | 5.1/7.0 | 2.2/3.0 | |||||||
| PQ580PV-3R0G4 | 4.5 | 9/10.5 | 7.0/9.0 | 3.0/3.7 | |||||||
| PQ580PV-3R7G4 | 5.9 | 10.5/14.6 | 9.0/13 | 3.7/5.5 | 186 | 119 | 165 | 107 | 175 | 5Φ | FIG.2 |
| PQ580PV-5R5G4 | 8.9 | 14.6/20.5 | 13/17 | 5.5/7.5 | |||||||
| PQ580PV-7R5G4 | 11 | 20.5/26 | 17/25 | 7.5/11 | 248 | 161 | 185 | 148 | 236 | 6Φ | FIG.3 |
| PQ580PV-011G4 | 17 | 26/36 | 25/32 | 11.0/15.0 | |||||||
| PQ580PV-015G4 | 21 | 35/38.5 | 32/37 | 15/18.5 | 320 | 220 | 205 | 205 | 305 | 6Φ | FIG.4 |
| PQ580PV-18R5G4 | 24 | 38.5/46.5 | 37/45 | 18.5/22 | |||||||
| PQ580PV-022G4 | 30 | 46.5/62.5 | 45/60 | 22/30 | |||||||
| PQ580PV-030G4 | 40 | 62.5/76 | 60/75 | 30/37 | 360 | 220 | 218 | 160 | 348 | 7Φ | FIG.5 |
| PQ580PV-037G4 | 57 | 76/92 | 75/91 | 37/45 | 430 | 260 | 225 | 180 | 412 | 7Φ | FIG.6 |
| PQ580PV-045G4 | 69 | 92/113 | 91/112 | 45/55 | |||||||
| PQ580PV-055G4 | 85 | 113/157 | 112/150 | 55/75 | 590 | 263 | 275 | 200 | 570 | 9Φ | FIG.7 |
| PQ580PV-075G4 | 114 | 157/180 | 150/176 | 75/90 | |||||||
Please contact our professional technical engineers, We will do our best to serve you
Scan the code to get more information