▌PQ580SF VFD Características:
Excelente rendimiento a prueba de agua y polvo, lo que lo hace adecuado para una amplia gama de entornos difíciles.
convertidor de frecuencia totalmente sellado con un ventilador de alto nivel de protección IP67.
Toda la serie de inversores cuenta con un chasis de chapa metálica con un acabado pintado por pulverización, que proporciona una mayor seguridad, resistencia a la corrosión y una vida útil más larga.
Admite entradas de señal analógica de temperatura PT100/PT1000.
Incorpora condensadores de alta calidad y larga duración con una capacidad nominal de 105℃ para 10.000 horas de funcionamiento.
Utiliza ventiladores resistentes al agua, protectores de ventilador de acero inoxidable y un diseño de conducto de refrigeración independiente para una disipación eficaz del calor y una limpieza y mantenimiento simplificados.
Proporciona una salida de 0,1 segundos con protección de curva de corriente 200% para aumentar la salida de par.
Incorpora funcionalidad PID y PLC integrada (con control multivelocidad mediante PLC o puertos de control utilizando las entradas digitales multifunción DI1-DI6), lo que simplifica la implementación de sistemas de control inteligentes y reduce el tiempo y los costes de hardware para los usuarios.
Ofrece una protección completa contra la pérdida de fase, la sobretensión, la sobrecorriente y los fallos tanto del motor como del variador.
Ofrece un potente rendimiento de control del motor con soporte tanto para el control vectorial sin sensor SVC como para el control V/F.
Proporciona miles de parámetros configurables para una amplia funcionalidad.
Funciona en un amplio rango de tensión de -15% a +20%, lo que amplía su aplicabilidad.
▌Aplicación:
Exteriores: Buena protección contra el polvo y las salpicaduras para aplicaciones como riego agrícola, fuentes e iluminación exterior.
Industriales: Fiable en entornos industriales polvorientos y sin lavado a alta presión, como la producción ligera y la manipulación de materiales.
Húmedos: Adecuado para entornos húmedos y propensos a salpicaduras, como la acuicultura y las zonas de lavado no directo en el procesamiento de alimentos.
| Artículo | Especificaciones | |
| Entrada Salida | Rango de tensión | Entrada: 1 Fase 220V±15%, Salida: Trifásica 200~240V, |
| Entrada: 1 Fase 220V±15%, Salida: Trifásica 380~440V, | ||
| Entrada: Trifásica 220V±15%, Salida: Trifásica 200~240V, | ||
| Entrada: Trifásica 380V±15%, Salida: Trifásica 380~440V, | ||
| Función básica | Tipo de motor | motor asíncrono |
| Motor síncrono de imanes permanentes | ||
| Frecuencia máxima | Control vectorial:0~300Hz Control V/F:0~3000Hz | |
| Frecuencia portadora | 0,5kHz~15kHz; la frecuencia portadora se ajustará automáticamente en función de las características de la carga. | |
| Frecuencia de entrada Resolución | Ajuste digital: 0,1Hz | |
| Ajuste analógico: 0,01V frecuencia máxima correspondiente ×0,025% | ||
| Modo de control | Control vectorial en bucle abierto, control V/F, control de par, PID | |
| Par de arranque | Control vectorial en bucle abierto: 0,5 Hz 180%, control V/F: 0,5 Hz 150% | |
| Velocidad ajustableRango | Control vectorial en bucle abierto 1:200, control V/F: 1:100 | |
| Precisión de velocidad en estado estacionario | Control vectorial en bucle abierto ±0,2%, control V/F ±0,5% | |
| Precisión del control de par | ±5%(SVC) | |
| Capacidad de sobrecarga | Tipo G: 150% corriente nominal 60s,180% corriente nominal 3s | |
| Tipo P: 120% corriente nominal 60s,150% corriente nominal 3s | ||
| Aumento del par motor | Torque Boost automático, Torque Boost manual 0,1%~30,0% | |
| Curva V/F | Tipo de línea、Tipo multipunto, curva V/F de potencia N | |
| Modo rampa | Rampa en línea recta; rampa en curva S; | |
| Cuatro grupos de tiempo de aceleración/deceleración con el rango de 0.0 a 3200.0s. | ||
| Freno CC | Frecuencia de frenado CC:0,00Hz hasta la frecuencia máxima. | |
| Tiempo de frenado: 0,0s a 36,0s | ||
| Valor de la corriente de frenado: 0,0%~100,0% | ||
| Funcionamiento sencillo de varias velocidades mediante PLC | Realice operaciones de hasta 16 velocidades a través del PLC integrado o del terminal de control. | |
| PID integrado | Realiza fácilmente el sistema de control de bucle cerrado controlado por proceso. | |
| Regulador automático de tensión (AVR) | Regula automáticamente la tensión de salida para mantener un nivel constante independientemente de las fluctuaciones de la tensión de red. | |
| Control de bloqueo por sobretensión/corriente | La corriente y la tensión se limitan automáticamente durante el proceso de funcionamiento para evitar disparos frecuentes por sobretensión/sobrecorriente. | |
| Limitador de corriente de defecto | Proteja el inversor minimizando las condiciones de sobrecorriente. | |
| Limitación y control del par | Puede limitar el par automáticamente y evitar frecuentes disparos por sobrecorriente durante el proceso de funcionamiento. | |
| Opciones a medida | Excelente rendimiento | Implementar el control del motor mediante control vectorial de corriente avanzado. |
| Tolerante a fallos: | El frenado regenerativo durante una caída de tensión permite al inversor mantener el funcionamiento. | |
| Control del tiempo | Función de control de temporización:intervalo de tiempo 0.0~3200.0Min | |
| Apoyo al autobús | RS-485:Modbus | |
| Ejecutar | Fuente de comandos en ejecución | Panel de control/Terminales de control/Puerto de comunicación serie. Puede conmutar entre estas fuentes de varias formas. |
| Frecuencia Fuente | Ajuste digital, ajuste de tensión analógica, ajuste de corriente analógica, ajuste de impulsos y ajuste del puerto de comunicación serie. | |
| Fuente de frecuencia auxiliar | 10 tipos de fuentes de frecuencia auxiliares. Realización flexible del ajuste fino de frecuencias auxiliares y de la síntesis de frecuencias. | |
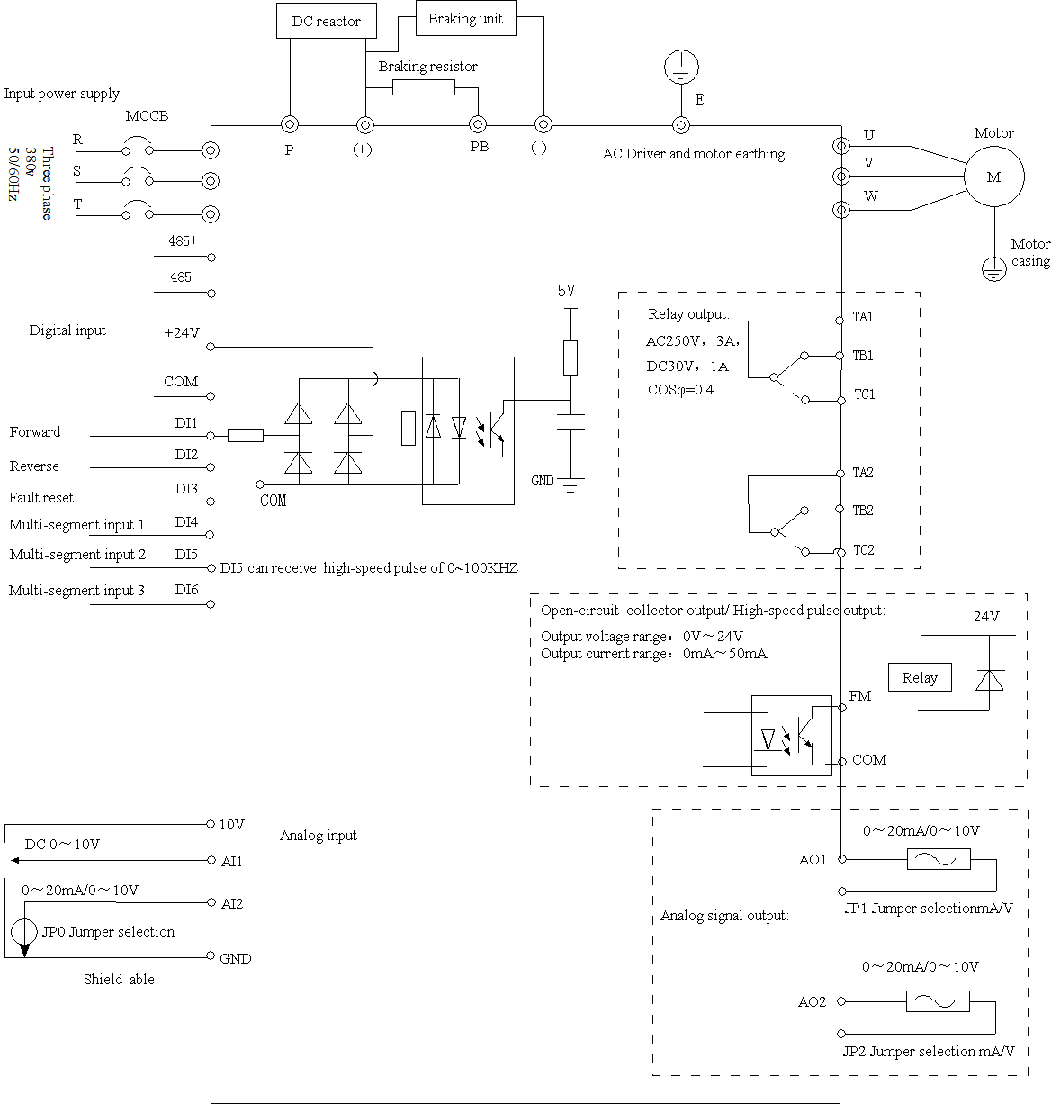
| Terminal de entrada de señal de control | 6 terminales de entrada digital, uno de los cuales admite una entrada de impulsos de alta velocidad de hasta 20 kHz. | |
| 2 terminales de entrada analógica, uno de los cuales sólo admite entrada de tensión de 0-10 V y el otro admite entrada de tensión de 0-10 V o entrada de corriente de 4-20 mA. | ||
| Terminal de salida de señal de control | 1 terminal de salida digital; | |
| 2 terminales de salida de relé; | ||
| 2 terminales de salida analógica que admiten salida de corriente de 0-20 mA o salida de tensión de 0-10 V; | ||
| Panel de control | PANTALLA LED | Lectura numérica de cinco dígitos |
| Bloqueo de teclas y selección de funciones | Puede bloquear las teclas parcial o totalmente y definir el rango de funciones de algunas teclas para evitar que funcionen mal. | |
| 25 Función de protección | Detección de cortocircuito del motor en el encendido, protección contra pérdida de fase de entrada/salida, protección contra sobrecorriente, protección contra sobretensión, protección contra subtensión, protección contra sobrecalentamiento y protección contra sobrecarga. | |
| Medio ambiente | Entorno de instalación | En el interior, evite la luz solar directa, la sal, el polvo, los gases corrosivos o inflamables, el humo y el vapor. |
| Altitud | Por debajo de 1000 metros sobre el nivel del mar. (reducir el nivel de carga cuando se utiliza por encima de 1000 metros sobre el nivel del mar). | |
| Temperatura ambiente | -10 ℃ a +40 ℃ (Derating uso cuando bajo temperatura ambiente de 40 ℃ a 50 ℃) | |
| Humedad | Inferior a 95%RH, sin condensación | |
| Vibración | Menos de 5,9 m/s (0,6 g) | |
| Estructura | Nivel de protección | IP20 |
| Método de refrigeración | Refrigeración por aire forzado | |
| Método de instalación | Armario eléctrico mural o de pie. | |


Please contact our professional technical engineers, We will do our best to serve you
Scan the code to get more information